ULB-1超声测距传感器
产品简介
ULB-1超声测距传感器采用收发分体探头,能对1cm~6m距离内的物体进行测距。具有i2C总线和UART(TTL电平)两种数据接口,标配有安装支架。
图纸下载 | ULB-1超声测距传感器
产品特性
- 工业级品质
- 测距盲区小
- i2C总线和UART(TTL电平)两种数据接口
- 支持最多32个传感器模块通过总线级联
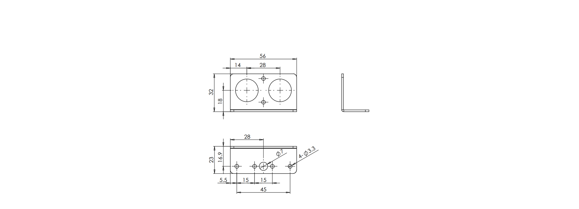
外形尺寸
规格参数
| 主体尺寸: | 56×28×32mm | 测距范围: | 0.01~6m |
| 每个探头最大测距频率: | 50Hz | 传感器类型: | 收发分体 |
| 通信接口: | i2C、UART串口(TTL电平) | 输入电压: | DC5V |
| 典型待机电流: | 30mA | 典型工作电流: | 600mA |
| 主要部件: | 测距模块×1、安装支架×1、端子插芯×10、光盘×1 | ||
典型研究与应用领域
- 机器人平台
- 工业自动化