QLM-40A
产品简介
QLM系列全向轮(omni wheel)提供最大2000千克的负载能力,同时保持了很高的精度标准。采用专利技术的轮毂一体成型工艺,最大限度发挥了材料的力学性能。从动轮表面材质可选橡胶或聚氨酯,能够适应不同的使用要求。QLM全系列产品采用滚动轴承设计,在平稳性、静音性、可靠性、全向性上都有很好的表现,能够适应室内及室外的应用场合。
产品特性
- 轮毂一体成型,高强度、高刚性
- 滚动轴承设计
- 负载能力覆盖0~2000kg
- 工业级品质
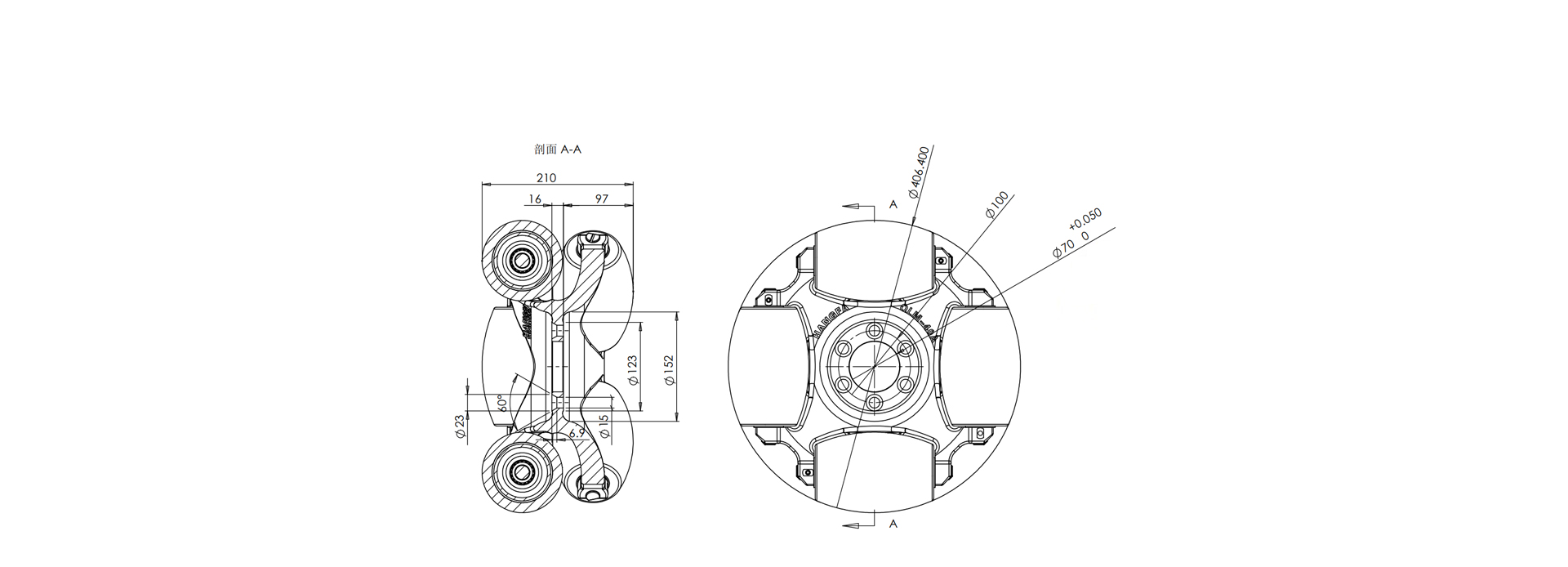
外形尺寸
规格参数
| 外径 | 406.4mm | 宽度 | 210mm |
| 侧轮数 | 8 | 轴承数 | 16 |
| 轴承类型 | 重载滚动轴承 | 小轮材质 | 聚氨酯 |
| 轮毂材质 | 钢 | 轮毂表面处理 | 双层高温烤漆 |
| 连接形式 | 法兰 | 典型中心孔 | 70mm |
| 自重 | 53Kg | 负载能力 | 1600Kg |
| 外径 | 406.4mm |
| 侧轮数 | 8 |
| 轴承类型 | 重载滚动轴承 |
| 轮毂材质 | 钢 |
| 连接形式 | 法兰 |
| 自重 | 53Kg |
| 宽度 | 210mm |
| 轴承数 | 16 |
| 小轮材质 | 聚氨酯 |
| 轮毂表面处理 | 双层高温烤漆 |
| 典型中心孔 | 70mm |
| 负载能力 | 1600Kg |